Library 13

UREI & SIFAM

Menu
[Page 1][Page 2][Page 3][Page 4][Page 5]
[Page 6][Page 7][Page 8][Page 9][Page 10]
[Page 11][Page 12][Page 14][Page 15][Page 16]

[Home]



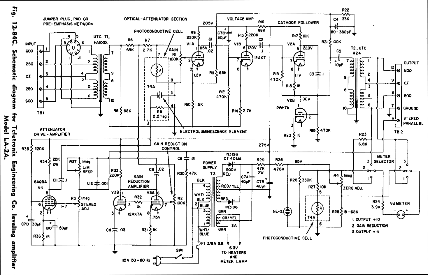
TELETRONIX MODEL LA-2A

TELETRONIX MODEL LA-2A (from AUDIO CYCLOPEDIA P.549)

UREI 1176LM-1

UREI 1176LM-2

modify a design of 1176LM.


This phono circuit used with urei 1620.


Urei 1122


Sifam Audio Level Presentor 1

Sifam Audio Level Presentor 2

Sifam Audio Level Presentor 3

Sifam Audio Level Presentor 4

Sifam vu METERS & PPM INDICATORS 1

Sifam vu METERS & PPM INDICATORS 2

Sifam vu METERS & PPM INDICATORS 3

Sifam vu METERS & PPM INDICATORS 4

Now Construction

Now Construction

Now Construction

Now Construction

Menu
[Page 1][Page 2][Page 3][Page 4][Page 5]
[Page 6][Page 7][Page 8][Page 9][Page 10]
[Page 11][Page 12][Page 14][Page 15][Page 16]




[Dave's] [Product] [My Memories] [Circuit Data] [Links] [Home]
[Top Page]