AM-10が最近よく壊れる話やAM-10を使った商品の修理を受けます。
これはこのオペアンプが±28Vで動作させる為、少し頑張りすぎな事と、
オペアンプ自体がモールドされてない事も半導体の寿命を短くしてる場合があり、
確かに修理可能なオペアンプですが、壊れた場所を交換しても、
その横の部品がまた壊れることがあり、事実上の寿命が来てる場合があります。
今なら新しい部品もまだ手に入りますので、
トランジスタの全交換が一番良い方法です。
特にモールドタイプのTRはキャンタイプに比べ、
空気に触れてるだけで劣化するそうです。
モールドされてるAPI2520等は壊れれば交換すれば簡単ですが、
作られた時期で音質も変わりますので、ただ交換するだけではいけません。
実際にAPIのコンソールを修理した時に、本線系は測定器で、
オペアンプを数ある中から選んで載せないとLRの音色が合わなくなり、
バランスを治すのに後から見つけるのは大変に苦労します。

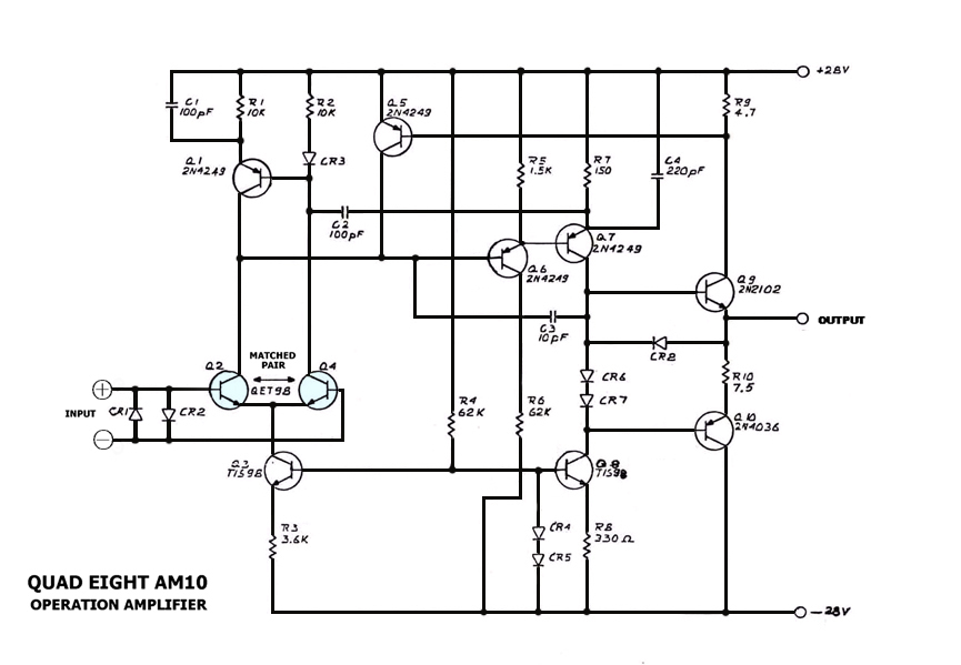
QUAD EIGHT AM-10回路図

QUAD EIGHT AM-10

初段に使われてるTIS98を2個外します。
回路図にはQET98書かれてますが、これはQEで選別した、TIS98のmatched pairの石です。
ペアと分かるように、石の頭に塗料で色分けされてますからすぐに分かります。


今回はLM394H(Supermatch Pair)を選びました。
このLM394HはJE990Cにも使われてるデュアル タイプで高価ですが大変好評の物です。
他でも使える物はありますが、足の並びが一致してるのを選ぶ必要があります。

LM394Hへ変更した回路図

ぎりぎりのスペースですが上手く収まりました。


さすがにマッチドペアでも30年も経つと経年変化が生じます。
今となってはトランジスタのペアを探すのも大変です。
載せ換えてみて大変シャープな音に変わり一段と分解能も上がり、
やはり差動アンプはここが一番大事だと思いました。

勿論、FETを載せればもっとよくなる可能性はあります。
但し、私はデュアルタイプのFETでLM394Hのような並びの物は、
今まで見たことがありません。知ってる人は教えて下さい。