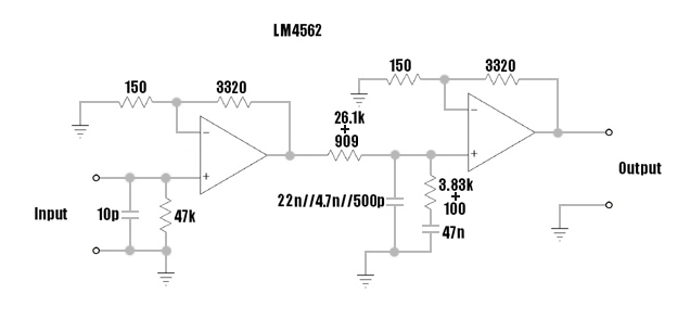
LM4562のフォノアンプは結構良い音がします。

National Semiconductorからのデータです。


値段が下がれば、NE5532に代わるOPになると思います。

[Back]